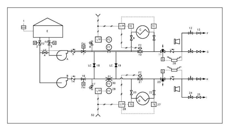
PIPING
SERVICE OFFERED:
SPECIFICATION PREPARATION
3D MODELLING
PIPE SIZING CALCULATION
DEVELOPMENT OF PLOT PLAN
PIPE ROUTING
PIPING LAYOUT
PIPING GAD PREPARATION
STRESS ANALYSIS
PIPE SUPPORT DESIGN AND DETAIL
PIPING ISOMETRIC PREPARATION
BILL OF MATERIAL
DUCTING
FABRICATION PIPING DRAWING (PIPE SPOOL)
PRESSURE DROP CALCULATION
APPLICABLE CODES & STANDARD
ASME B31.1
ASME B31.3
SMACNA
DIN STANDARD



